Kategorie e-shopuE-shop
KOVANÉ VÝROBKY A POLOTOVARY
Kroucené prvky - céčka, eska, šišky ...
Květy, listy, plody a ostatní dekory
Ornamenty
Hroty, špice, ukončení
Koule, polokoule
Držáky madla a zábradlí
Kliky, štítky, koule, madla
Kované tyče a sloupky
Zdobené profily
Madlové profily, ukončení
Profily na spony, spony
Návleky, rozety, krytky
Nýty, ozdobné hřebíky
Mřížové výplně
Klapačky
DÍLY PRO BRÁNY, VRATA, DVEŘE
Nesené brány
Posuvné kolejnicové brány
Zavěšená vrata, posuvné dveře, posuvná vrata
Závěsné posuvné dveře
Dorazy, vedení bran
Závěsy a panty
Zámky, příslušenství
Kliky, štítky, koule, madla
Zástrče, petlice
Pojezdová kolečka
Kolečka ostatní
Hřebeny proti přelezení
Ostatní příslušenství
Nerezové kování pro vrata, brány, dveře
Hliníkový samonosný systém
Sortiment LOCINOX®
PLOTOVÉ VÝPLNĚ
HUTNÍ MATERIÁL
HLINÍKOVÉ POLOTOVARY
POHONY VJEZDOVÝCH BRAN
PŘÍSLUŠENSTVÍ POHONŮ
POHONY GARÁŽOVÝCH VRAT
DOPLŇKY GARÁŽOVÝCH VRAT
POHONY PRŮMYSLOVÝCH VRAT
NEREZOVÉ ZÁBRADLÍ A MADLA
NEREZOVÉ POLOTOVARY
Profily
Svorky skla, plechu
Držáky madla a výplně
Záslepky, ukončení
Koule
Kolena, spoje
Příruby, kryty
Boční kotvení
Nerezové zábradlí - komponenty, černá barva
Pletená síta, pletivo - nerez
Přístřešek
Skleněný systém
Držáky polic
Stříšky nerezové
Nerezový spojovací materiál
Příslušenství
Dřevěné profily a doplňky ke dřevu
LANKOVÝ SYSTÉM
NEREZOVÉ DVEŘNÍ KOVÁNÍ
DÍLY PRO VENKOVNÍ ŽALUZIE A ROLETY
AUTOMATICKÉ ZÁVORY, SEMAFORY
STŘÍŠKY, ZÁTKY PROFILŮ
BARVY, PATINY
NÁŘADÍ, SPOTŘEBNÍ MATERIÁL
Nářadí
Nerezový spojovací materiál
Řezání a broušení
Chemické kotvy a příslušenství
Závitové tyče
Metrické šrouby
Nýty, matice
Vrtání
Kotvení plotů
Komponenty pro fotovoltaiku
Mazání, odmašťování
Leštění, kartáčování
Údržba nerezových povrchů
Lepidla
Stavební chemie
Rohovníky a úhelníky
Tesařské prvky
Lanka a řetězy
Plastové spojky profilů
Svařování
BYDLENÍ, ZAHRADA
VYŘAZENO Z NABÍDKY
EUROBYT-CB / KOVANÉ VÝROBKY A POLOTOVARY / Madlové profily, ukončení / Madla profilovaná / ukončení madla CT45x12, tvar S
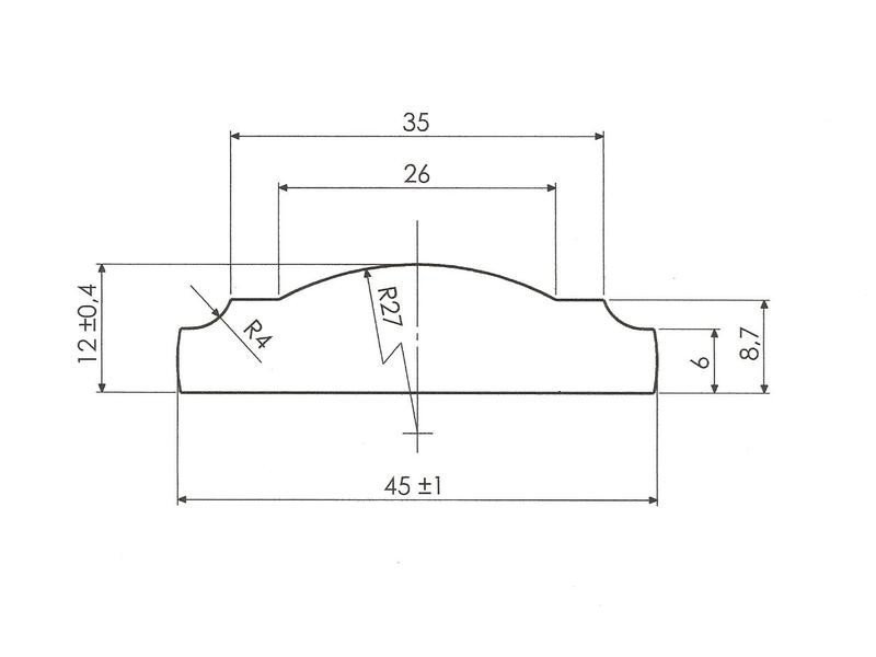
ukončení madla CT45x12, tvar S
45 x 12 mm
délka 600 mm
Kód zboží:CT45x12S
Dostupnost: SKLADEM
Skladem (i na prodejně) - zboží objednané do 10:00 hod. obvykle ještě tento den odesíláme.
Skladem (není na prodejně) - zboží je skladem u dodavatele, odesíláme za 1 - 3 dny.
Dostupnost: SKLADEM
(není na prodejně)
Skladem (i na prodejně) - zboží objednané do 10:00 hod. obvykle ještě tento den odesíláme.
Skladem (není na prodejně) - zboží je skladem u dodavatele, odesíláme za 1 - 3 dny.293 Kč /ks s DPH
(242.15 Kč /ks bez DPH)
Hmotnost: 3.35 kg
Popis
CT45x12S - ukončení madla "S" 600 mm, materiál 45 x 12 mm, hmotnost 3,3 kg. Vhodné k madlovému profi...Ukaž celý popis >
CT45x12S - ukončení madla "S" 600 mm, materiál 45 x 12 mm, hmotnost 3,3 kg. Vhodné k madlovému profi...Ukaž celý popis >
Kód zboží:CT45x12S
Dostupnost: SKLADEM
(není na prodejně)
Skladem (i na prodejně) - zboží objednané do 10:00 hod. obvykle ještě tento den odesíláme.
Skladem (není na prodejně) - zboží je skladem u dodavatele, odesíláme za 1 - 3 dny.Podrobný popis
CT45x12S - ukončení madla "S" 600 mm, materiál 45 x 12 mm, hmotnost 3,3 kg. Vhodné k madlovému profilu CT45x12.
Ukončení tvaru "S" lze vyrobit z madlových profilů:
CT40x11, CT45x12, CT50x15, AZ40x6, AZ40x8, AX40x6, AX40x8, AW40x6, AW40x8, 3001.40
Související produkty
Více variantSKLADEM
(není na prodejně)
Skladem (i na prodejně) - zboží objednané do 10:00 hod. obvykle ještě tento den odesíláme.
Skladem (není na prodejně) - zboží je skladem u dodavatele, odesíláme za 1 - 3 dny.od 553 Kč / ks457.02 Kč bez DPHVÍCE INFO...
Více variantSKLADEM
(není na prodejně)
Skladem (i na prodejně) - zboží objednané do 10:00 hod. obvykle ještě tento den odesíláme.
Skladem (není na prodejně) - zboží je skladem u dodavatele, odesíláme za 1 - 3 dny.od 537 Kč / ks443.80 Kč bez DPHVÍCE INFO...
Více variantSKLADEM
(není na prodejně)
Skladem (i na prodejně) - zboží objednané do 10:00 hod. obvykle ještě tento den odesíláme.
Skladem (není na prodejně) - zboží je skladem u dodavatele, odesíláme za 1 - 3 dny.od 560 Kč / ks462.81 Kč bez DPHVÍCE INFO...
Více variantSKLADEM
(není na prodejně)
Skladem (i na prodejně) - zboží objednané do 10:00 hod. obvykle ještě tento den odesíláme.
Skladem (není na prodejně) - zboží je skladem u dodavatele, odesíláme za 1 - 3 dny.od 537 Kč / ks443.80 Kč bez DPHVÍCE INFO...
Více variantSKLADEM
(není na prodejně)
Skladem (i na prodejně) - zboží objednané do 10:00 hod. obvykle ještě tento den odesíláme.
Skladem (není na prodejně) - zboží je skladem u dodavatele, odesíláme za 1 - 3 dny.od 560 Kč / ks462.81 Kč bez DPHVÍCE INFO...
Více variantSKLADEM
(není na prodejně)
Skladem (i na prodejně) - zboží objednané do 10:00 hod. obvykle ještě tento den odesíláme.
Skladem (není na prodejně) - zboží je skladem u dodavatele, odesíláme za 1 - 3 dny.od 537 Kč / ks443.80 Kč bez DPHVÍCE INFO...
Více variantSKLADEM
(není na prodejně)
Skladem (i na prodejně) - zboží objednané do 10:00 hod. obvykle ještě tento den odesíláme.
Skladem (není na prodejně) - zboží je skladem u dodavatele, odesíláme za 1 - 3 dny.od 560 Kč / ks462.81 Kč bez DPHVÍCE INFO...
Více variantSKLADEM
(není na prodejně)
Skladem (i na prodejně) - zboží objednané do 10:00 hod. obvykle ještě tento den odesíláme.
Skladem (není na prodejně) - zboží je skladem u dodavatele, odesíláme za 1 - 3 dny.od 551 Kč / ks455.37 Kč bez DPHVÍCE INFO...
Více variantNA DOTAZ
produkt momentálně není skladem u dodavateleod 849 Kč / ks701.65 Kč bez DPHVÍCE INFO...
SKLADEM
(není na prodejně)
Skladem (i na prodejně) - zboží objednané do 10:00 hod. obvykle ještě tento den odesíláme.
Skladem (není na prodejně) - zboží je skladem u dodavatele, odesíláme za 1 - 3 dny.420 Kč / ks347.11 Kč bez DPHVÍCE INFO...
2,5 l
Kód: T-RAL9005/2
SKLADEM
(není na prodejně)
Skladem (i na prodejně) - zboží objednané do 10:00 hod. obvykle ještě tento den odesíláme.
Skladem (není na prodejně) - zboží je skladem u dodavatele, odesíláme za 1 - 3 dny.773 Kč / ks638.84 Kč bez DPHVÍCE INFO...
Sortiment & montáže
Rady & návody


