Kategorie e-shopuE-shop
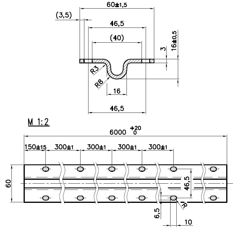
pojezdová kolejnice U ø 16 mm C902/16
ø drážky 16 mm
k přišroubování
Kód zboží:C90216
Více variant
Více variantCena od:
345 Kč /m s DPH
(285.12 Kč /m bez DPH)
Kód zboží:C90216
Záruka: 2 roky
Výrobce: COMBI ARIALDO
Záruka: 2 roky
Výrobce: COMBI ARIALDO
Popis
C902/16 - pojezdový galvanicky zinkovaný profil pro posuvné brány s drážkou ve tvaru "U" o průměru 1...Ukaž celý popis >
C902/16 - pojezdový galvanicky zinkovaný profil pro posuvné brány s drážkou ve tvaru "U" o průměru 1...Ukaž celý popis >
Kód zboží:C90216
Záruka: 2 roky
Výrobce: COMBI ARIALDO
Podrobný popis
C902/16 - pojezdový galvanicky zinkovaný profil pro posuvné brány s drážkou ve tvaru "U" o průměru 16 mm (pozinkovaný i po hranách) od italského výrobce Combi Arialdo. Použití s kolečky, která mají vnitřní průměr drážky 16 mm. V případě spojení profilů z více dílů zajistíte pevný spoj bez nebezpečí vyosení čepem C901/16 o průměru 16 mm.
Prodej v délkách 2, 3 a 6 m.
Kolečka s průměrem drážky 16 mm:
- C400/80/16
- C410/80/16
- C415/70/16, C415/80/16
- C425/70/16, C425/80/16, C425/100/16
- W458/16U (kolečko s pružinou)
Sortiment & montáže
Rady & návody



